型 號:HT-109 | 規 格:3380-2.2Y |
額定電壓:三相380V | 頻 率:50Hz |
電熱功率:2.2KW | 進風溫度:常溫~230℃ |
最大風量:1264m3/h | 最高風壓:3597Pa |
更多項目參數請咨詢銷售代表! | |
上一個產品:盛馳高壓耐溫風機HT-108
下一個產品:盛馳高壓耐溫風機HT-110
盛馳高壓耐溫風機簡介
盛馳耐溫風機采用特制耐高溫電機,風輪與電機之間有專用散熱裝置保護電機的正常工作,適合用于高溫循環的使用環境,入風口耐溫高達230℃,采用風冷。
風機的安裝形式
1.風機有兩種形式:從電機一側正視,葉輪順時針旋轉者稱右旋風機,以“右”表示;葉輪逆時針旋轉稱優選風機,以“左”表示
2.風機的出口位置,以機殼的出風口角度表示。傳動方式均為“A”式直聯傳。
風機的結構特點
1.風機主要有葉輪、機殼、進風口、電機、散熱風葉、散熱裝置等部分組成。
2.葉輪采用多翼式離心葉輪,用優質的鍍鋅板或冷軋鋼板制成,葉片依據空氣動力原理設計。材料用強度高,耐用性好的優質鋼板制造,并經嚴格的動、靜平衡校正。空氣性能良好,效率高,運轉平穩。
3.進風口采用收斂流線型減渦形式,氣流損失較小,風機的工作效率高。
4.風機機殼與電機之間安裝專業設計的散熱裝置,電機軸頭上安裝散熱風葉,確保電機在高溫下正常運行。
5.其電機采用特殊高溫電機(F級,IP54,采用進口軸承),風機流體部分采用耐溫材料,降溫結構性能可靠。
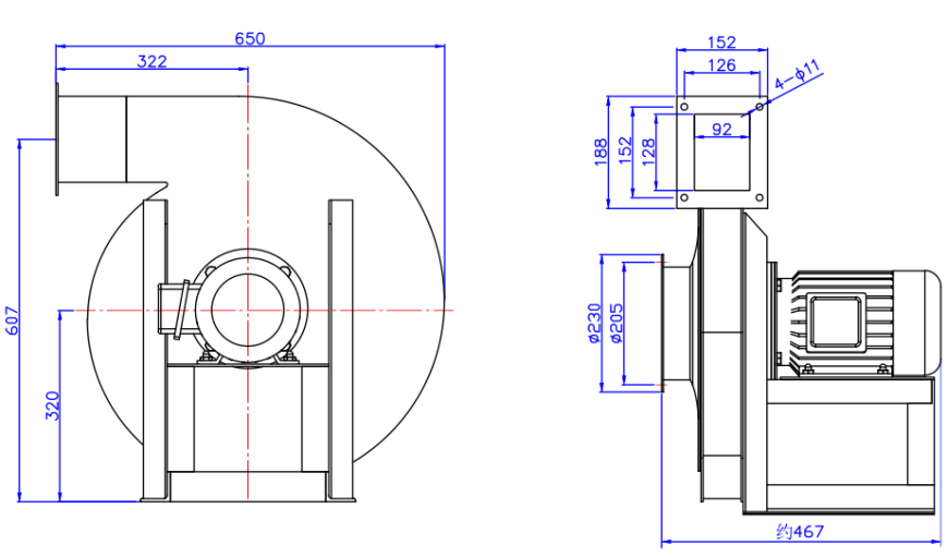
盛馳高壓耐溫風機尺寸示意圖

SHENGSHI PRODUCT
了解價格?產量?型號?售后?請留言,我們第一時間為您回復
留言咨詢(30秒急速提交)
等待回訪(30分鐘內快速回復)
免費定制(根據需求免費定制流程方案)
答:風機是一種將原動機的機械能轉換為輸送氣體、并給予氣體能量的機械,它是火電廠中不可少的機械設備之一,主要有送風機、引風機、···
答:風刀中央空調風管清洗系統是引進歐美的先進技術,同時根據中國本土的情況進行了技術補充,我們一直致力研究世界最先進的風管清洗···
答:風機具體的防護等級和絕緣等級要看安裝在什么地方。一般絕緣等級為B或E,就是說,允許工作溫度為120攝氏度(B級)或130攝氏度(E···
答:風機選型是一個技術性很強的工作,具體的選型方法也很多,比如:按無因次特性曲線選型、按對數坐標曲線選型、按有因次特性曲線或···
答:高壓鼓風機送風用一、曝氣用途(例:養殖、電鍍、水處理等)1. 配管原則:a. 支管的總截面積≧主管截面積b. 主管截面積≧風機的出口面···
答:氣泵一般是指電機控制,驅使空氣或者其他氣體介質運動,是將原動機輸出的能量轉換為空氣或者其他氣體介質壓力能的能量轉換裝置。···
答:目前市場上生產的易拉罐酒飲料均是在底部進行噴碼,油墨噴碼對底部的干燥要求比較高,即使少量水分也會導致噴碼效果不好,字體散···
答:1、針對貼標前的干燥要求進行設計,采用專利設計風刀,把高速風引致玻璃瓶表面,快速切除水份,以更低功率(高壓鼓風機配合風刀—···
答:1.如果發現流量過大,不符合使用要求,或短時間內需要、較小的流量,可利用節流裝置進行調節。2.對溫度計及油標的靈敏性定期檢查···
答:眾所周知,噪聲屬于環境污染中的一部分,所以低噪產品越來越受廣大消費者的親睞,熱風機、鼓風機亦是如此,那么熱風機、鼓風機的···